OpelBook.ru
Автомобили AvtoVAZ Автомобили Mitsubishi Автомобили BMW Автомобили Mercedes Автомобили Nissan Автомобили Toyota Автомобили Chevrolet
Български Русский
English
Беларускі
Український
Српски
Hrvatski
Română
Polski
Slovenský
Magyar
 |  Карта на сайта  |  Контакти  |    

 
 
 
 
 
 
 
 
 
Главна Astra Corsa Insignia Kadett Omega Vectra Zafira Други Статии
Astra F (1991-1998, бензин) Astra G (1998-2004, бензин) Astra G (1998-2004) Astra H (2004-2009) Astra J (2009-2015, бензин)
  • Главна
  • Astra
  • Astra F
  • Електрическо оборудване
  • Схеми на свързване
  • Електрическа схема за дизел и турбодизел (преди февруари 1992 г.)

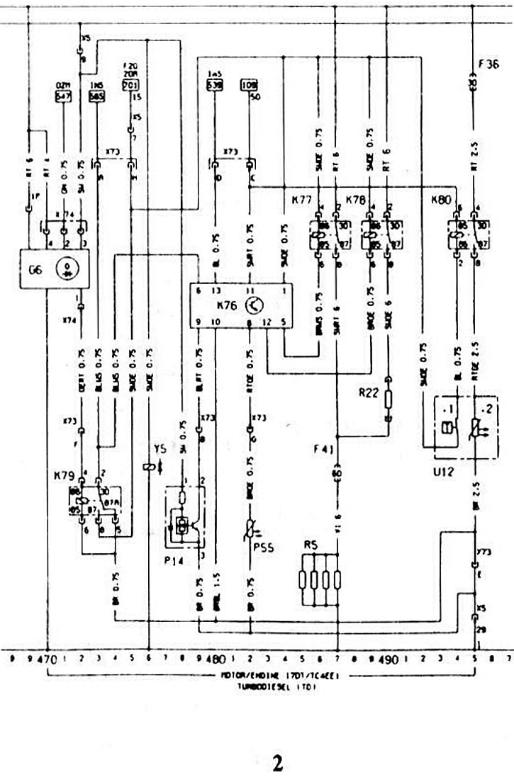
Електрическа схема за дизел и турбодизел (преди февруари 1992 г.) (Opel Astra F)

            0

Съдържание: 1 - дизел ⬇ 2 - турбодизел ⬇
Електрическа схема за модели с 30 предпазителя в кутия (до около февруари 1992 г.) (продължение)

1 - дизел



1 - дизел



2 - турбодизел



2 - турбодизел


Тази статия е достъпна на руски, английски, беларуски, украински, сръбски, хърватски, румънски, полски, словашки, унгарски
Проверка на статията: Трифонова Емилия

Сподели информация:

Предишни статии
Опел Astra F: Схеми на свързване
Следващи статии

Електрическа схема на автоматична скоростна кутия (преди февруари 1992 г.)
Електрическа схема на впръскване на гориво (преди февруари 1992 г.)
Електрическа верига на карбуратора (преди февруари 1992 г.)
Диаграма за батерия, стартер, алтернатор и вентилатор на радиатора (преди февруари 1992 г.)
Ключ към електрическите схеми
Обяснения към електрическите схеми на автомобила
Електрически вериги: управление, информационен дисплей, радио, часовник, инструменти (до февруари 1992 г.)
Електрически вериги за светлини и фарове (преди февруари 1992 г.)
Електрически вериги: заключване на вратата, система против кражба, вентилатор за отопление (преди февруари 1992 г.)
Електрически вериги: чистачка, клаксон, външно огледало (преди февруари 1992 г.)
Електрически вериги: ABS, система за контрол на сцеплението (до февруари 1992 г.)
Електрически вериги: батерия, стартер, генератор, карбуратор (от март 1992 г.)


Вижте подобни от други ръководства за автомобили Opel:
▶ Електрическа схема за модели от 1992 г Опел Vectra A (1988-1995, бензин)
▶ Електрическа схема на автомобили с двигател «20XE» Опел Kadett E (1984-1995)
▶ Електрическа схема за модели до 1983 г Опел Аскона С (1981-1988)
▶ Схема 1. Система за стартиране на двигателя и зареждане на… Опел Zafira A (1999-2005, бензин)
▶ Спецификации на горивната система (дизел) Опел Omega A (1986-1993)
Връзка към тази страница в различни формати

Коментари на посетители


Без коментари все още


Колко ще 28 + 17 =

       





Astra J (2009-2015, бензин) 
  • Обща информация
  • Устройство на автомобила
  • Ръководство за работа
  • Грешки по маршрута
  • Поддръжка
  • Силовия агрегат
  • Ремонт на двигател
  • Охлаждане и смазване
  • Захранване на двигателя
  • Изпускателна система
  • Трансмисия
  • Съединител
  • Скоростна кутия
  • Задвижващи валове
  • Шаси
  • Предно окачване
  • Задно окачване
  • Кормилно управление
  • Спирачна система
  • Джанти и гуми
  • Каросерия
  • Екстериор
  • Интериор
  • Врати и прозорци
  • Грижа за тялото
  • Отопление и климатизация
  • Системи за сигурност
  • Електрическо оборудване
  • Оборудване и инструменти
  • Осветление и сигнализация
  • Захранващи устройства
  • Електрически схеми
Astra H (2004-2009) 
  • Обща информация
  • Въведение в ръководството
  • Диагностика на грешка
  • Инструкции за работа
  • Поддръжка
  • Силовия агрегат
  • Ремонт на двигател
  • Охлаждане и отопление
  • Горивна и изпускателна система
  • Запалителна система
  • Стартиране и зареждане
  • Трансмисия
  • Ръчна скоростна кутия
  • Автоматична скоростна кутия
  • Задвижващи валове
  • Шаси
  • Спирачна система
  • Окачване на автомобила
  • Кормилно управление
  • Каросерия
  • Интериор
  • Екстериор
  • Електрическо оборудване
  • Оборудване и инструменти
  • Схеми на окабеляване
Astra G (1998-2004) 
  • Обща информация
  • Въведение в ръководството
  • Ръководство за работа
  • Поддръжка
  • Силовия агрегат
  • Бензинови двигатели SOHC
  • Бензинови двигатели DOHC
  • Дизелови двигатели 1.7 и 2.0 л
  • Ремонт на двигател
  • Охладителна система
  • Захранваща система
  • Инжекционна система (бензин)
  • Инжекционна система (дизел)
  • Изпускателна система
  • Зареждане и стартиране
  • Запалителна система (бензин)
  • Предварително подгряване
  • Трансмисия
  • Ръчна скоростна кутия
  • Автоматична скоростна кутия
  • Съединител
  • Задвижващи валове
  • Шаси
  • Спирачна система
  • Окачване на колелото
  • Кормилно управление
  • Каросерия
  • Екстериор
  • Интериор
  • Врати и прозорци
  • Вентилация и отопление
  • Електрическо оборудване
  • Оборудване и инструменти
  • Електрически схеми
Astra G (1998-2004, бензин) 
  • Обща информация
  • Инструкции за работа
  • Грижа за автомобила
  • Поддръжка
  • Силовия агрегат
  • Едновалови двигатели
  • Двувалови двигатели
  • Ремонт на двигател
  • Охлаждане и отопление
  • Горивна и изпускателна системи
  • Стартиране и зареждане
  • Запалителна система
  • Трансмисия
  • Съединител
  • Ръчна скоростна кутия
  • Автоматична скоростна кутия
  • Задвижващи валове
  • Шаси
  • Спирачна система
  • Окачване на автомобили
  • Кормилно управление
  • Каросерия
  • Интериор
  • Екстериор
  • Електрическо оборудване
  • Оборудване и инструменти
  • Електрически схеми Astra
  • Електрически схеми Zafira
Astra F (1991-1998, бензин) 
  • Обща информация
  • Поддръжка
  • Двигател и системи
  • Двигател в колата
  • Двигател отстранен
  • Охладителна система
  • Отопление и вентилация
  • Подаване на гориво (карбуратор)
  • Подаване на гориво (инжектор)
  • Контрол на емисиите
  • Запалителна система
  • Трансмисия
  • Съединител
  • Ръчно
  • Автоматична скоростна кутия
  • Задвижващи валове
  • Шаси
  • Спирачна система
  • Окачване на превозно средство
  • Кормилно управление
  • Каросерия
  • Екстериор
  • Интериор
  • Електрическо оборудване
  • Оборудване и инструменти
  • Схеми на свързване
OpelBook.ru © 2017–2026 · Мобилна версия · Полезни статии · Карта на сайта: EN BG BY UA RS HR RO PL SK HU · Обратна връзка · Търсене в сайта
Astra F, бензин · Astra G, бензин · Astra G · Astra H · Astra J, бензин · Corsa B · Corsa C, бензин · Corsa C · Insignia A · Kadett D · Kadett E · Omega A · Omega B · Omega B2 · Vectra A, бензин · Vectra A · Vectra B, бензин · Vectra B · Vectra C · Zafira A, бензин · Фронтера А, бензин · Фронтера Б · Аскона С · Виваро А ·
Искаме посещението ви да е удобно 🤝! Използваме „бисквитки“ 🍪, за да се случи това.