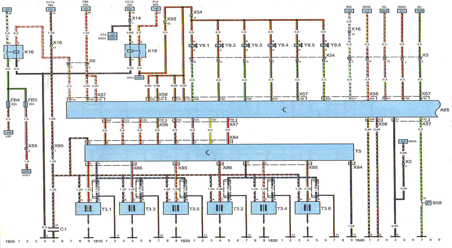
Ключ к схеме 5
Компоненты
- А65 - блок управления двигателем/системой впрыска топлива Multec и Drive train
- В58 - датчик давления жидкости гидроусилителя рулевого управления
- С1 - катушка зажигания
- FB4 - предохранитель
- FB5 - предохранитель
- К16 - реле топливного насоса
- К18 - реле блока управления двигателем
- Т3.1 - катушка зажигания цилиндра №1
- Т3.2 - катушка зажигания цилиндра №2
- ТЗ.З - катушка зажигания цилиндра №3
- Т3.4 - катушка зажигания цилиндра №4
- Т3.5 - катушка зажигания цилиндра №5
- Т3.6 - катушка зажигания цилиндра N°6
- Т5 - блок катушек зажигания
- Y9.1 - форсунка цилиндра №1
- Y9.2 - форсунка цилиндра №2
- Y9.3 - форсунка цилиндра №3
- Y9.4 - форсунка цилиндра №4
- Y9.5 - форсунка цилиндра №5
- Y9.6 - форсунка цилиндра №6
Соединения
- Х5 - жгут проводов двигателя
- Х6 - жгут проводов двигателя
- Х14 - жгут проводов панели приборов и моторного отсека
- Х16 - жгут проводов панели приборов и моторного отсека
- Х54 - жгут проводов двигателя и топливных форсунок
- Х66 - жгут проводов блока управления двигателем
- Х55 - жгут проводов двигателя
- Х57 - жгут проводов блока управления двигателем
- Х58 - жгут проводов блока управления двигателем
- Х84 - жгут проводов катушек зажигания
- Х85 - проводов катушек зажигания
- Х86 - проводов катушек зажигания
[Текст скопирован с онлайн-ресурса OPELBOOK.ru]
Точки «массы» (-)
- 5 - левая сторона моторного отсека
- 8 - двигатель, правая сторона
- 9 - двигатель, левая сторона
- 11 - двигатель, левая сторона
Сокращения
- 6VDI - двигатель 6VDI
- 15 - напряжение зажигания
- 15А - 15 ампер
- 30 - постоянно запитанная клемма 30
- ЗОА - 30 ампер
- АС - кондиционер
- DIAG - диагностический разъем
- FB6 - предохранитель FB6
- FC12 - предохранитель FC12
- FC13 - предохранитель FC13
- FL6 - основной предохранитель FL6
- INS - щиток приборов
- KSP - топливный насос
- STA - система запуска и зарядки
- WEG - спидометр

Открыть большую картинку в новой вкладке →
Схема 5. Система впрыска топлива Multec и Drive train и блок управления двигателем. Автомобили с бензиновым двигателем 6VDI.
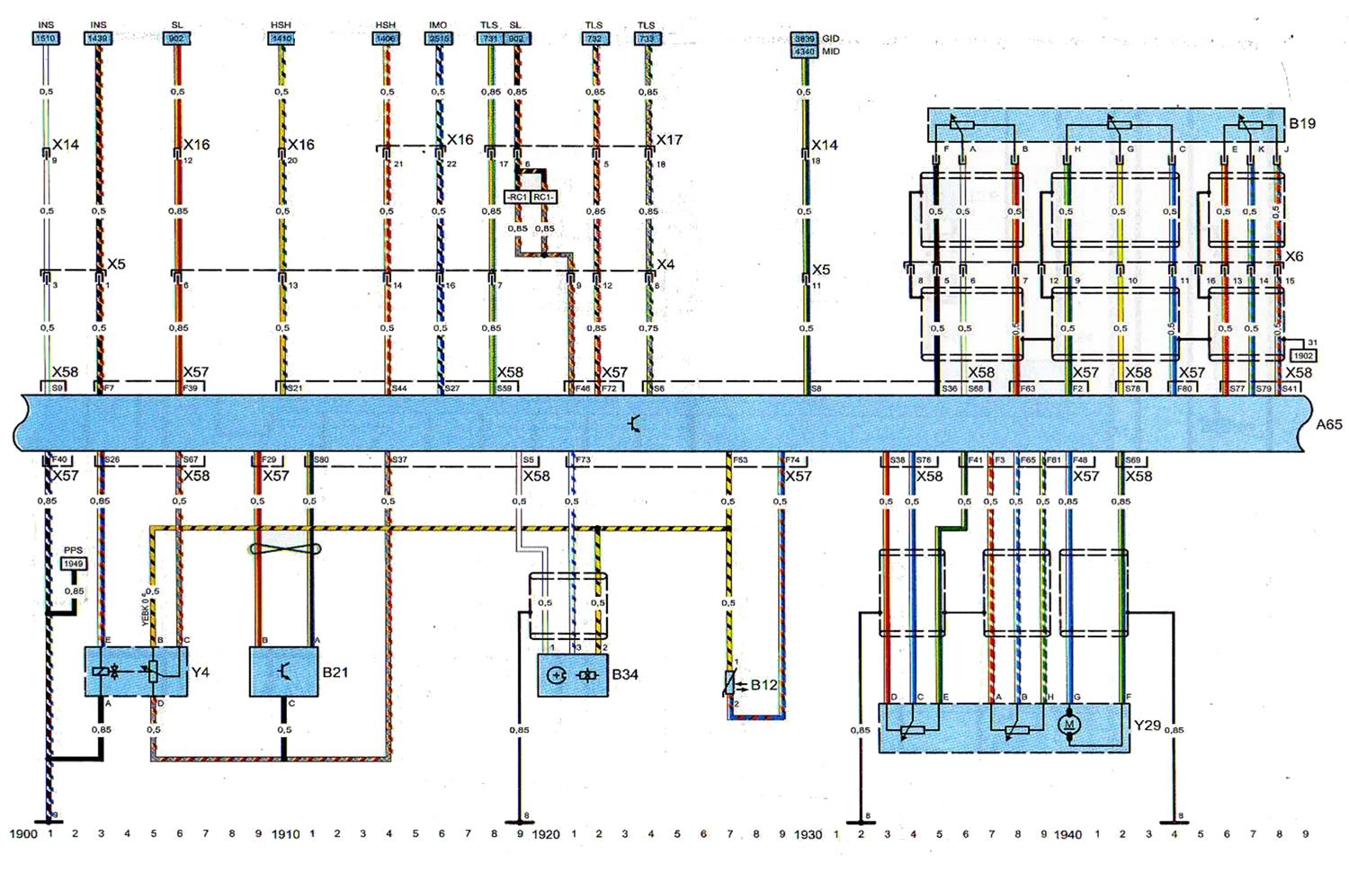
Ключ к схеме 5 (продолжение)
Компоненты
- А65 - блок управления двигателем/системой впрыска топлива
- В12 - датчик температуры охлаждающей жидкости
- В19 - датчик положения педали акселератора
- В21 - датчик абсолютного давления
- В34 - датчик положения коленчатого вала
- Y4 - клапан системы рециркуляции ОГ
- Y29 - потенциометр угла открытия дроссельной заслонки
Соединения
- Х4 - жгут проводов двигателя
- Х5 - жгут проводов двигателя
- Х6 - жгут проводов двигателя
- Х14 - жгут проводов панели приборов и моторного отсека
- Х16 - жгут проводов панели приборов и моторного отсека
- Х17 - жгут проводов панели приборов и моторного отсека
- Х57 - жгут проводов блока управления двигателем
- Х58 - жгут проводов блока управления двигателем
Точки «массы» (-)
- 8 - двигатель, правая сторона
- 9 - двигатель, левая сторона
Сокращения
- 31 - точка «массы» (-)
- GID - графический информационный дисплей
- HSH - обогреватель заднего стекла
- IMO - иммобилайзер (противоугонная система)
- INS - щиток приборов
- MID - многофункциональный информационный дисплей
- PPS - датчик положения педали акселератора
- SL - стоп-сигналы
- TLS - выключатель указания поворота

Открыть большую картинку в новой вкладке →
Схема 5. Система впрыска топлива Multec и Drive train и блок управления двигателем. Автомобили с бензиновым двигателем 6VDI (продолжение).
Ключ к схеме 5 (окончание)
Компоненты
- А65 - блок управления двигателем/системой впрыска топлива Multec и Drive train
- В13 - датчик температуры впускаемого воздуха
- В46 - датчик массового расхода воздуха
- В117 - подогреваемый предварительный лямбда-зонд
- В118 - основной лямбда-зонд
- В129 - подогреваемый предварительный лямбда-зонд
- В130 - основной лямбда-зонд
- Y5 - клапан вентиляции топливного бака
- Y6 - клапан системы рециркуляции ОГ
- Х55 - жгут проводов двигателя
- Х57 - жгут проводов блока управления двигателем
- Х58 - жгут проводов блока управления двигателем
Точки «массы» (-)
- 8 - двигатель, с правой стороны
Сокращения
- 20А - 20 ампер
- 31 - точка «массы» (-)
- АТ - автоматическая короба передач
- ATS - выключатель режима работы АКПП
- CLS - датчик положения педали сцепления
- FB5 - предохранитель FB5
- МТ - механическая коробка передач

Открыть большую картинку в новой вкладке →
Схема 5. Система впрыска топлива Multec и Drive train и блок управления двигателем. Автомобили с бензиновым двигателем 6VDI (окончание).

Комментарии посетителей