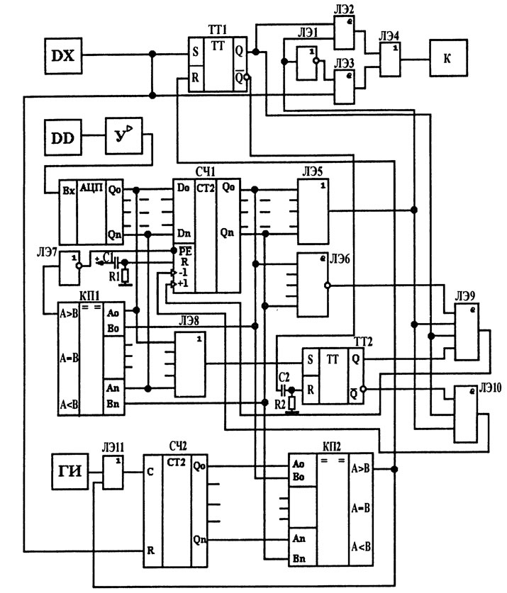
- датчик детонации DD;
- усилитель У, усиливающий сигнал датчика детонации;
- аналого-цифровой преобразователь АЦП, на выходе которого формируется двойное число, однозначно соответствующее усиленному аналоговому сигналу датчика детонации;
- универсальный двойной счетчик СЧ1, в котором записывается двойное число с выхода АЦП,
- компаратор КП1, обеспечивающий запись двойного числа с выхода АЦП к счетчик СЧ1 при условии, что число на выходе АЦП больше числа в самом счетчике СЧ1;
- суммирующий двоичный счетчик СЧ2, осуществляющий счет импульсов генератора импульсов ГИ;
- компаратор КП2, сравнивающий числа в счетчиках СЧ1 и СЧ2 и переключающий RS-триггер ТТ1 в нулевое состояние;
- RS-триггер ТТ2, изменяющий направления счета счетчика СЧ1;
- логические элементы ЛЭ1—ЛЭ11, осуществляющие инверсию (ЛЭ1, ЛЭ7), сложение (ЛЭ4, ЛЭ5, ЛЭ8, ЛЭ11) и умножение (ЛЭ2, ЛЭЗ, ЛЭ9, ЛЭ10) логических сигналов;
- датчик Холла DX, формирующий сигнал управления моментом искрообразования для коммутатора К.
Рис. 6. Устройство для регулирования УОЗ в зависимости от степени детонации
Датчик Холла DX и коммутатор К являются штатными элементами системы зажигания двигателя.
При отсутствии детонации (1-й режим работы устройства) сигнал на выходе датчика детонации DD отсутствует, на всех выходах Q0-Qn АЦП нули. Счетчик СЧ1 при включении питания с помощью цепочки R1—С1 обнуляется, поэтому на входах логического элемента ЛЭ5 и на его выходе имеет место низкий уровень напряжения, который запрещает прохождение сигнала с выхода Q триггера ТТ1 через логический элемент ЛЭ2 к коммутатору К. Инвертор ЛЭ1 преобразует низкий уровень сигнала на выходе элемента ЛЭ5 в высокий, разрешая тем самым прохождение сигнала от датчика Холла DX через логические элементы ЛЭЗ и ЛЭ4 к коммутатору К.
Следовательно, при отсутствии детонации сигнал от датчика Холла DX к коммутатору К проходит без изменения характеристик регулирования УОЗ (рис. 7, а и б).
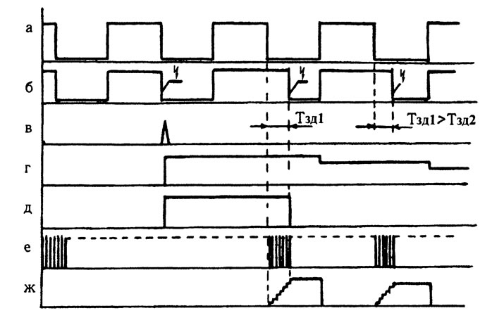
Рис. 7. Временные диаграммы работы устройства для регулирования УОЗ во втором режиме: а - сигнал от датчика Холла DX; б - сигнал на выходе триггера ТТ1 (на выходе коммутатора К); в - сигнал от датчика детонации DD; г - число в счетчике СЧ1; д - сигнал на выходе Q триггера ТТ2; e - импульсы генератора импульсов ГИ; ж - число в счетчике СЧ1;
При наличии детонации (второй режим) на выходе усилителя У (см. рис. 6) появляется усиленный аналоговый сигнал датчика детонации DD, который в АЦП преобразуется в цифровой код и по условию, что число А на выходе АЦП больше числа В на выходе счетчика СЧ1, записывается через входы D0—Dn в счетчик СЧ1. Компаратор КП1 формирует на выходе «А > В» сигнал на запись числа с выхода АЦП в счетчик СЧ1. Затем этот сигнал через инвертор ЛЭ7 подается на вход разрешения записи РЕ счетчика СЧ1 (рис. 7, в и г). При появлении на выходе счетчика СЧ1 (см. рис. 6) какого-либо числа на выходе логического элемента ЛЭ5 устанавливается высокий уровень напряжения, которое подается на инвертор ЛЭ1. Низкий уровень сигнала на выходе инвертора ЛЭ1 запрещает прохождение сигнала от датчика Холла DX через логический элемент ЛЭЗ к коммутатору К. Одновременно высокий уровень сигнала на выходе логического элемента ЛЭ5 через логические элементы ЛЭ2 и ЛЭ4 подключают коммутатор К к выходу Q триггера ТТ1.
При высоком уровне сигнала от датчика Холла DX на входе S триггера ТТ1 последний переключается в состояние логической единицы. В этом случае передний фронт импульса на выходе Q триггера ТТ1 и на входе коммутатора К совпадает с передним фронтом управляющего сигнала датчика Холла DX (см. рис. 7, а и б). Высокий уровень сигнала от датчика Холла DX (см. рис. 6) подается на вход R счетчика СЧ2, обнуляет его и запрещает счет импульсов генератора ГИ по входу С.
При низком уровне сигнала от датчика Холла DX на входе Q триггера ТТ1 сохраняется высокий уровень напряжения, а на выходе Q — низкий. Одновременно низкий уровень сигнала на входе R счетчика СЧ2 разрешает счет импульсов генератора ГИ по входу С (рис. 7, e и ж). Когда число импульсов ГИ (см. рис. 6), подсчитанных счетчиком СЧ2, превысит число, записанное в счетчике СЧ1, компаратор КП2 с выхода «А > В» подает сигнал высокого уровня на вход элемента ЛЭ11, прекращая подачу импульсов ГИ на вход С счетчика СЧ2 (см. рис. 7, ж). Сигнал высокого уровня с выхода «А > В» компаратора КП2 (см. рис. 6), подаваемый на вход R триггера ТТ1, переключает его по выходу Q с высокого уровня на низкий (см. рис. 7, б), обеспечивая подачу управляющего сигнала искрообразования на коммутатор К (см. рис. 6) через логические элементы ЛЭ2 и ЛЭ4. При высоком уровне напряжения на выходе Q триггера ТТ1, триггер ТТ2 переходит в нулевое состояние. На его выходе Q также появляется высокий уровень напряжения (рис. 7, д).
Следовательно, момент искрообразования будет задержан на время
где N — числовой код усиленного усилителем У сигнала датчика детонации DD, полученный с помощью АЦП; Тги — период импульсов генератора ГИ.
Если при наличии числа в счетчике СЧ1 (см. рис. 7, г) с уменьшением УОЗ детонация прекращается, то обеспечивается постепенное уменьшение числа в счетчике СЧ1 (см. рис. 6) и возвращение к исходным значениям УОЗ с каждым рабочим циклом. При отсутствии детонации на выходах АЦП и логического элемента ЛЭ8 устанавливаются низкие уровни напряжения, а на входе Q триггера ТТ2 — высокий уровень, что при наличии числа в счетчике СЧ1 и, следовательно, высоком уровне напряжения на выходе логического элемента ЛЭ5 обеспечивает прохождение через логический элемент ЛЭ 10 импульсов с выхода Q триггера ТТ1 на вычитающий вход «-1» счетчика СЧ1. Через N рабочих циклов число в счетчике СЧ1 становится равным нулю, на выходе логического элемента ЛЭ5 устанавливается низкий уровень напряжения, который запрещает прохождение импульсов с выхода Q триггера ГП через логические элементы ЛЭ9 к ЛЭ10 на вычитающий «-1» и суммирующий «+1» входы счетчика СЧ1. Устройство переходит в первый режим работы без измерения УОЗ.
При наличии детонации в двигателе на входе АЦП может быть «А < В» в счетчике СЧ1 (третий режим). Тогда сигнал высокого уровня на выходе логического элемента ЛЭ8 переключает триггер ТТ2 в состояние, при котором на его выходе Q устанавливается высокий уровень напряжения. Это напряжение разрешает прохождение импульсов с выхода Q триггера ТТ1 через логический элемент ЛЭ9 на суммирующий вход «+1» счетчика СЧ1. В то же время низкий уровень напряжения на выходе Q триггера ТТ2 запрещает прохождение этих импульсов на вычитающий вход «-1» счетчика СЧ1 (рис. 8). С каждым рабочим циклом число в счетчике СЧ1 (см. рис. 6) возрастает на единицу, что ведет к уменьшению УОЗ и снижению уровня детонации.
Рис. 8. Временные диаграммы работы устройства для регулирования УОЗ в третьем режиме (а—ж, см. рис. 7)
Если при увеличении числа в счетчике СЧ1 за счет подачи на его суммирующий вход «+1» импульсов с выхода Q триггера ТТ1 детонация не прекращается, устройство формирует максимальную задержку управляющего импульса зажигания с выхода Q триггера ТТ1 при высоких уровнях сигналов на всех выходах счетчика СЧ1. При таком значении числа в счетчике СЧ1 на выходе логического элемента ЛЭ6 устанавливается низкий уровень сигнала, запрещающий прохождение импульсов с выхода Q триггера ТТ1 через логический элемент ЛЭ9 на суммирующий вход «+1» счетчика СЧ1. Двигатель будет работать с минимальным УОЗ.
После прекращения детонации в двигателе устройство переходит во второй режим работы, при котором УОЗ возрастает.
Статья опубликована на сайте: OpelBook.ru
В случае, если увеличивающийся УОЗ при уменьшении числа в счетчике СЧ1 (второй режим) приводит к возобновлению детонации, происходит переключение направления счета в счетчике СЧ1 и устройство переходит в третий режим работы, увеличивая число в счетчике СЧ1 и, уменьшая УОЗ до значений, при которых детонация прекращается (второй режим). Таким образом устройство будет обеспечивать установку УОЗ, при котором двигатель работает на границе зоны детонации.

Комментарии посетителей