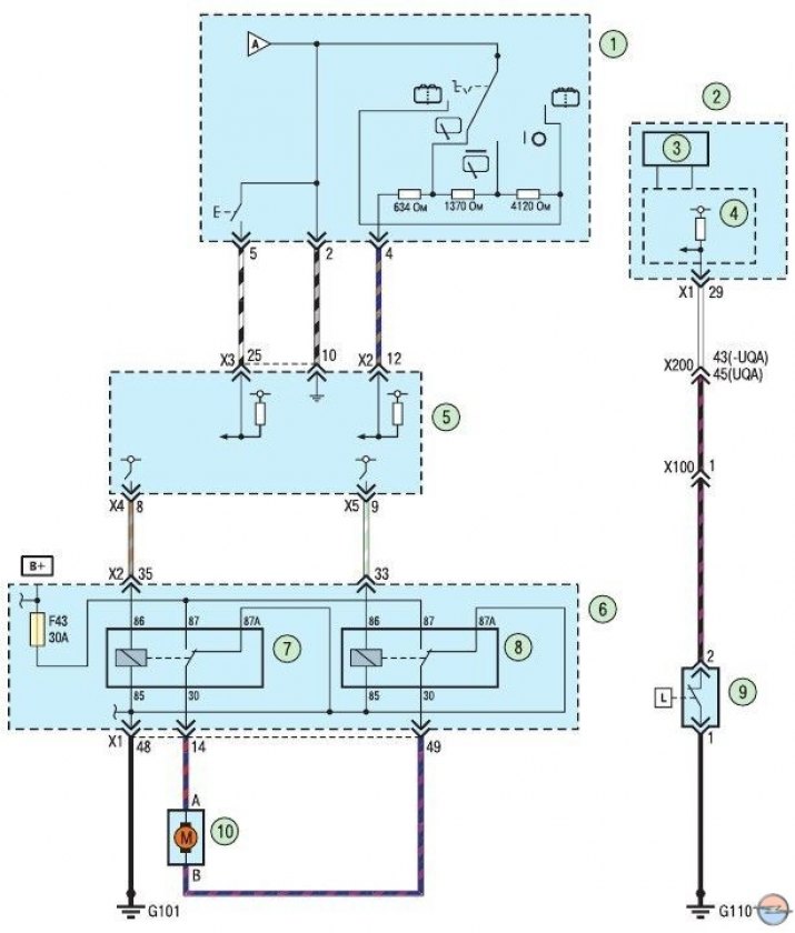
Схема 2. Стеклоомыватели: 1 - перамыкач стеклоомывателя ветравога акна; 2 - камбінацыя прыбораў; 3 – цэнтральны інфармацыйны дысплей; 4 - пераўтваральнік сігналу; 5 - блок кіравання электраабсталяваннем; 6 - мантажны блок маторнага адсека; 7 - рэле стеклоомывателя ветравога акна; 8 - рэле стеклоомывателя акна дзверы задка; 9 - выключальнік шклоамывальніка акна дзверы задка; 10 - помпа стеклоомывателя
Арыгінал размешчаны на вэб-сайце [www.OPELBOOK.ru]

Каментары наведвальнікаў