OpelBook.ru
Аўтамабілі AvtoVAZ Аўтамабілі Mitsubishi Аўтамабілі BMW Аўтамабілі Mercedes Аўтамабілі Nissan Аўтамабілі Toyota Аўтамабілі Chevrolet
Беларускі Русский
English
Български
Український
Српски
Hrvatski
Română
Polski
Slovenský
Magyar
 |  Мапа сайту  |  Кантакты  |    

 
 
 
 
 
 
 
 
 
Галоўная Astra Corsa Insignia Kadett Omega Vectra Zafira Іншыя Артыкулы
Амега А (1986-1993) Амега В (1993-1999) Амега В2 (1999-2003)
  • Галоўная
  • Omega
  • Амега В
  • Электраабсталяванне
  • Электрычныя схемы (раннія)
  • Электрасхемы ланцугоў 300-399

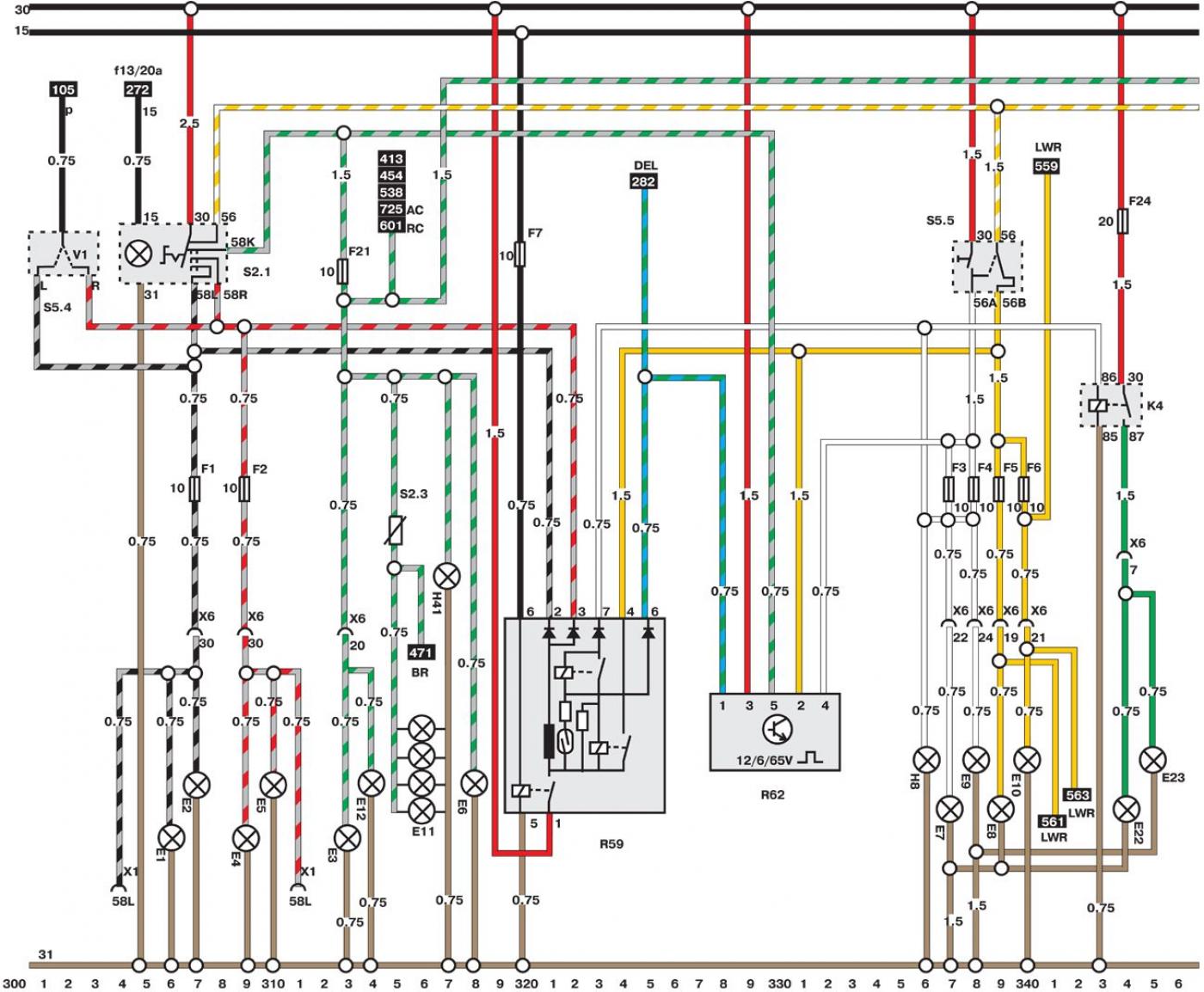
Электрасхемы ланцугоў 300-399 (Opel Omega B)

            0

Адкрыць вялікую карцінку ў новай укладцы →
Адкрыць вялікую карцінку ў новай укладцы →


Адкрыць вялікую карцінку ў новай укладцы →
Адкрыць вялікую карцінку ў новай укладцы →


Ключы да электрычных схем знаходзяцца тут →

Індэкс электрычных ланцугоў знаходзіцца тут →

(Матэрыял быў узяты з рэсурсу: opelbook.ru)


Гэты артыкул даступны на рускай, англійскай, балгарскай, украінскай, сербскай, харвацкай, румынскай, польскай, славацкай, венгерскай
Праверка артыкула: Фёдарава Варвара

Падзяліцеся інфармацыяй:

Папярэднія артыкулы
Опель Амега В: Электрычныя схемы (раннія)
Наступныя артыкулы

Электрасхемы ланцугоў 200-299
Электрасхемы ланцугоў 100-199
Ключы да схем ранніх мадэляў
Індэкс ланцугоў 100-1199 (раннія мадэлі)
Тлумачэнні да электрасхем
Электрасхемы ланцугоў 400-499
Электрасхемы ланцугоў 500-599
Электрасхемы ланцугоў 600-699
Электрасхемы ланцугоў 700-799


Спасылка на гэтую старонку ў розных фарматах

Каментары наведвальнікаў


Няма яшчэ каментароў


Колькі будзе 23 + 29 =

       





Амега В2 (1999-2003) 
  • Агульная інфармацыя
  • Інструкцыя па эксплуатацыі
  • Тэхнічнае абслугоўванне
  • Выяўленне няспраўнасцяў
  • Сілавы агрэгат
  • Бензінавыя 4-х цыліндравыя
  • Бензінавыя 6-ці цыліндравыя
  • Пераборка рухавікоў
  • Дызельныя рухавікі 2.0 л
  • Дызельныя рухавікі 2.5 л
  • Астуджэнне і апал
  • Сістэма ўпырску (бензін)
  • Сістэма харчавання (дызель)
  • Паліўная сістэма
  • Выхлапная сістэма
  • Сістэма запальвання
  • Трансмісія
  • Счапленне
  • Механічная скрынка
  • Аўтаматычная скрынка
  • Галоўная перадача і валы
  • Шасі
  • Тармазная сістэма
  • Падвеска аўтамабіля
  • Рулявое кіраванне
  • Кузаў
  • Элементы кузава
  • Электраабсталяванне
  • Абсталяванне і прыборы
  • Электрычныя схемы
Амега В (1993-1999) 
  • Агульная інфармацыя
  • Інструкцыя па эксплуатацыі
  • Саветы аўтаўладальніку
  • Тэхабслугоўваньне (бензін)
  • Тэхабслугоўванне (дызель)
  • Сілавы агрэгат
  • Бензінавы матор SOHC 2.0 л
  • Бензінавы матор DOHC 2.0 л
  • Бензінавыя маторы 2.5 і 3.0 л
  • Рамонт бензінавых матораў
  • Дызельны матор 2.0 л
  • Рамонт дызельнага матора 2.0 л
  • Дызельны матор 2.5 л
  • Астуджэнне і апал
  • Сістэма харчавання (бензін)
  • Зніжэнне таксічнасці выхлапу
  • Сістэма харчавання (дызель 2.0 л)
  • Сістэма харчавання (дызель 2.5 л)
  • Сістэма запуску
  • Сістэма запальвання
  • Трансмісія
  • Счапленне
  • Механічная скрынка
  • Аўтаматычная скрынка
  • Прывадныя валы
  • Шасі
  • Тармазная сістэма
  • Падвеска колаў
  • Рулявое кіраванне
  • Кузаў
  • Экстэр'ер
  • Інтэр'ер
  • Дзверы і вокны
  • Электраабсталяванне
  • Абсталяванне і прыборы
  • Электрычныя схемы (раннія)
  • Электрычныя схемы (познія)
Амега А (1986-1993) 
  • Агульная інфармацыя
  • Інструкцыя па эксплуатацыі
  • Тэхнічнае абслугоўванне
  • Змены і дапаўненні
  • Выяўленне няспраўнасцяў
  • Сілавы агрэгат
  • Бензінавыя рухавікі
  • Дызельныя рухавікі
  • Сістэма ахладжэння
  • Паліўная сістэма (бензін)
  • Паліўная сістэма (дызель)
  • Сістэма запальвання
  • Трансмісія
  • Счапленне
  • Механічная скрынка
  • Аўтаматычная скрынка
  • Карданны вал
  • Прывадныя валы
  • Шасі
  • Тармазная сістэма
  • Падвеска аўтамабіля
  • Рулявое кіраванне
  • Кузаў
  • Экстэр'ер
  • Інтэр'ер
  • Электраабсталяванне
  • Сілавыя прылады
  • Асвятленне і прыборы
  • Электрычныя схемы
OpelBook.ru © 2017–2026 · Мабільная версія · Карысныя артыкулы · Мапа сайту: EN BG BY UA RS HR RO PL SK HU · Зваротная сувязь · Пошук па сайце
Астра F, бензін · Астра G, бензін · Астра G · Астра H · Астра J, бензін · Корса B · Корса С, бензін · Корса С · Інсігнія A · Кадэт D · Кадэт Е · Амега А · Амега В · Амега В2 · Вектра А, бензін · Вектра А · Вектра В, бензін · Вектра В · Вектра С · Зафіра A, бензін · Фронтэра А, бензін · Франтара B · Аскона С · Вівара А ·